这部分是考试的重点,要求学生会根据需要连接实验电路;能判断电路中是否有感应电流产生;判断感应电流的方向(或电表指针的偏转方向)。
探究感应电流产生的条件。
把导体AB的两端分别用两条导线连接在电流表的两个接线柱上,组成闭合电路。让导体AB在磁场中向左或向右做切割磁感线运动。
可观察到电流表的指针偏转,表明电路中产生了电流,这样产生的电流叫做感应电流。如果让导体AB在磁场中向上或向下运动,不切割磁感线,电路中不产生电流。
把线圈的两断接在电流表上,组成闭合电路。向线圈中插入或取出磁铁。
当向线圈中插入或取出磁铁时,电流表的指针偏转。
如图所示连接电路,把线圈A插在线圈B中,断开或接通开关,改变电阻,观察电流表指针的变化。
当用开关接通或断开连接线圈A的电路时,电流表的指针发生偏转,B线圈中有了感应电流。当线圈A中电流达到稳定后,线圈B中无感应电流产生。若在接通A的电路后,用滑动变阻器来改变通过线圈A中电流的大小时,B线圈中也有感应电流产生。
产生电磁感应现象的条件:穿过闭合回路的磁通量发生变化。所产生的感应电流的方向与磁场的方向和磁通量的变化情况有关。
1. 某学生做观察电磁感应的实验,将电流表(G)、线圈(A)和(B),电池(E)、电键(S)用导线连成如图所示的实验电路,当接通、断开开关时,电流表指针都没有偏转,其原因是( )
A 电流表的正、负极接反
B. 线圈B的接头3、4接反
C. 蓄电池的正、负极接反
D. 开关位置接错
2. 物理课外小组的同学在做研究电磁感应的实验时,将实验器材连成如图所示电路,某同学在实验时,进行了以下主要步骤:
(1)把蓄电池(E)、开关(S)、线圈(A)串联成一个电路。
(2)把电流表(G)与线圈(B)串联成另外一个电路。
(3)接通电源(E),给线圈(A)通电,记下线圈(A)中电流方向,将线圈(A)插入线圈(B)中,停一会儿再取出来。观察线圈(A)在插入、取出过程中以及停止运动时电流表(G)指针有无偏转及偏转方向,并作记录。
(4)改变线圈(A)中的电流方向,按步骤(3)重复实验,观察电流表的指针有无偏转及偏转方向,并作下记录。
该同学在根据记录的结果进行分析时,发现无法分析、验证,因为他在实验中遗漏了以下重要实验步骤:
(a)
(b)
3. 在研究电磁感应现象的实验中:
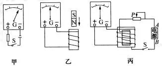
(1)将电流表接入如图(甲)所示电路,闭合开关S,电流表指针向右偏。将这只电流表接入图(乙)所示的电路,当条形磁铁插入线圈的过程中,电流表指针将向______偏(选填“左”,“右”)。
(2)将这只电流表接入图(丙)所示电路,在闭合开关S的瞬间,电流表指针向左偏,则电源的_______端为正极(选填“A”,“B”)。
1. 答案:D
分析:灵敏电流计指针始终不偏转,其原因是副线圈中没有发生电磁感应现象.
在A、B、C三个选项说明的情形中,均不会影响到指针不发生偏转.
但在图中,错将开关S接在副线圈和灵敏电流计组成的回路中,无论开关接通还是断开,磁场穿过副线圈的磁通总保持定值,因而没有感应电流产生,电流表指针不发生偏转。
2.
解析 :
在实验时,必须查明电流表指针偏转方向与电流方向的关系、查明线圈的绕制方向之间关系,否则即使观察出电流表指针偏转方向,也无法分析出感应电流方向,也不能总结出感应电流磁场方向与原磁场方向之间关系。因此该同学遗漏了以上两个重要步骤,导致无法验证楞次定律。
3. (1)从图(甲)可知:当电流从电流表的正极流入时,其指针向右偏转;在图(乙)中,当条形磁铁插入线圈时,产生的感应电流从电流表的正极流入,因此电流表指针应向右偏转。
(2)在图(丙)中,依题意知:电流表指针向左偏,感应电流从电流表负极流入,由安培定则可知,副线圈内感应电流磁场在线圈内是向下的。
根据楞次定律可判定,在闭合开关S的瞬间,在原线圈内原磁场方向与感应电流磁场方向相反,即原磁场方向在线圈内应向上。由安培定则可判定:在原线圈内的电流方向应是沿逆时针(俯视),因此A为电源正极、B为电源负极。
电磁感应现象的发现
1820年H.C.奥斯特发现电流磁效应后,许多物理学家便试图寻找它的逆效应,提出了磁能否产生电,磁能否对电作用的问题,1822年D.F.J.阿喇戈和A.von洪堡在测量地磁强度时,偶然发现金属对附近磁针的振荡有阻尼作用。1824年,阿喇戈根据这个现象做了铜盘实验,发现转动的铜盘会带动上方自由悬挂的磁针旋转,但磁针的旋转与铜盘不同步,稍滞后。电磁阻尼和电磁驱动是最早发现的电磁感应现象,但由于没有直接表现为感应电流,当时未能予以说明。
1831年8月,M.法拉第在软铁环两侧分别绕两个线圈
,其一为闭合回路,在导线下端附近平行放置一磁针,另一与电池组相连,接开关,形成有电源的闭合回路。实验发现,合上开关,磁针偏转;切断开关,磁针反向偏转,这表明在无电池组的线圈中出现了感应电流。法拉第立即意识到,这是一种非恒定的暂态效应。紧接着他做了几十个实验,把产生感应电流的情形概括为5类:变化的电流,变化的磁场,运动的恒定电流,运动的磁铁,在磁场中运动的导体,并把这些现象正式定名为电磁感应。进而,法拉第发现,在相同条件下不同金属导体回路中产生的感应电流与导体的导电能力成正比,他由此认识到,感应电流是由与导体性质无关的感应电动势产生的,即使没有回路没有感应电流,感应电动势依然存在。
后来,给出了确定感应电流方向的楞次定律以及描述电磁感应定量规律的法拉第电磁感应定律。并按产生原因的不同,把感应电动势分为动生电动势和感生电动势两种,前者起源于洛伦兹力,后者起源于变化磁场产生的有旋电场。
电磁感应现象是电磁学中最重大的发现之一,它显示了电、磁现象之间的相互联系和转化,对其本质的深入研究所揭示的电、磁场之间的联系,对麦克斯韦电磁场理论的建立具有重大意义。电磁感应现象在电工技术、电子技术以及电磁测量等方面都有广泛的应用。



