为方便广大考生做好2021年高考报名材料的准备,现将报名有关用表予以公布,考生可根据《海南省教育厅关于做好2021年海南省普通高等学校招生报名工作的通知》要求,结合本人实际,自行下载使用(各表如是两页,下载时须按双面打印)。
一、报名用表
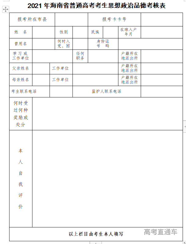
1.2021年海南省普通高考考生思想政治品德考核表(往届生提交)
2.2021年海南省普通高考高层次人才子女不限报资格申请表
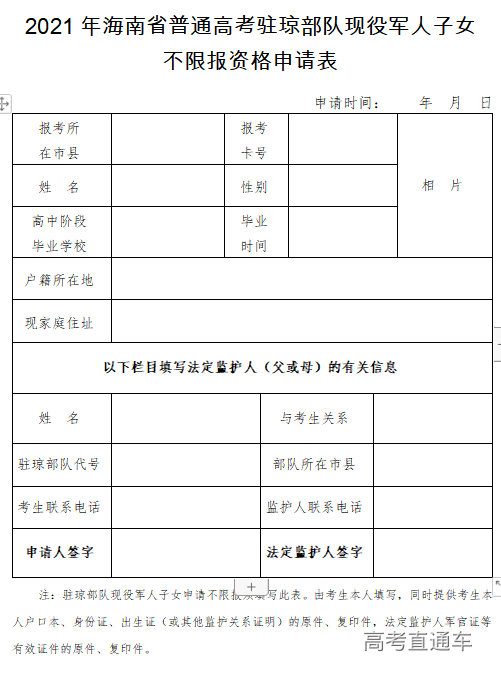
3.2021年海南省普通高考驻琼部队现役军人子女不限报资格申请表
4.2021年海南省普通高考异地考生报考登记表
二、申请高考照顾加分用表
5.2021年海南省普通高考少数民族聚居地区的少数民族考生照顾加分申请表
6.2021年海南省普通高考在非少数民族聚居地区学校就读并毕业的少数民族聚居地区少数民族考生照顾加分申请表
7.2021年海南省普通高考少数民族聚居乡镇汉族考生照顾加分申请表
8.2021年海南省普通高校招生三侨生审核表
9.2021年海南省普通高考台湾籍考生照顾加分申请表
10.2021年海南省普通高考农村人口独生子女照顾加分申请表
11.2021年海南省普通高考驻三沙部队官兵子女照顾加分申请表
12.2021年海南省普通高考烈士子女照顾加分申请表
13.2021年海南省普通高考自谋职业的退役士兵照顾加分申请表
14.2021年海南省普通高考在服役期间荣立二等功及以上或被战区(原大军区)及以上单位授予荣誉称号的退役军人照顾加分申请















