根据教育部保送生招生录取相关规定以及《天津大学2022年保送生招生简章》,我校于2022年2月26日举行了相关测试,考生可于即日起登陆报名系统查阅考试成绩,2022年我校外语类保送生考试合格分数线为总分80分。
现将拟录取考生名单公示,公示名单详见附件1:《天津大学2022年外语类保送生合格名单》,公示期为3月1日-10日。
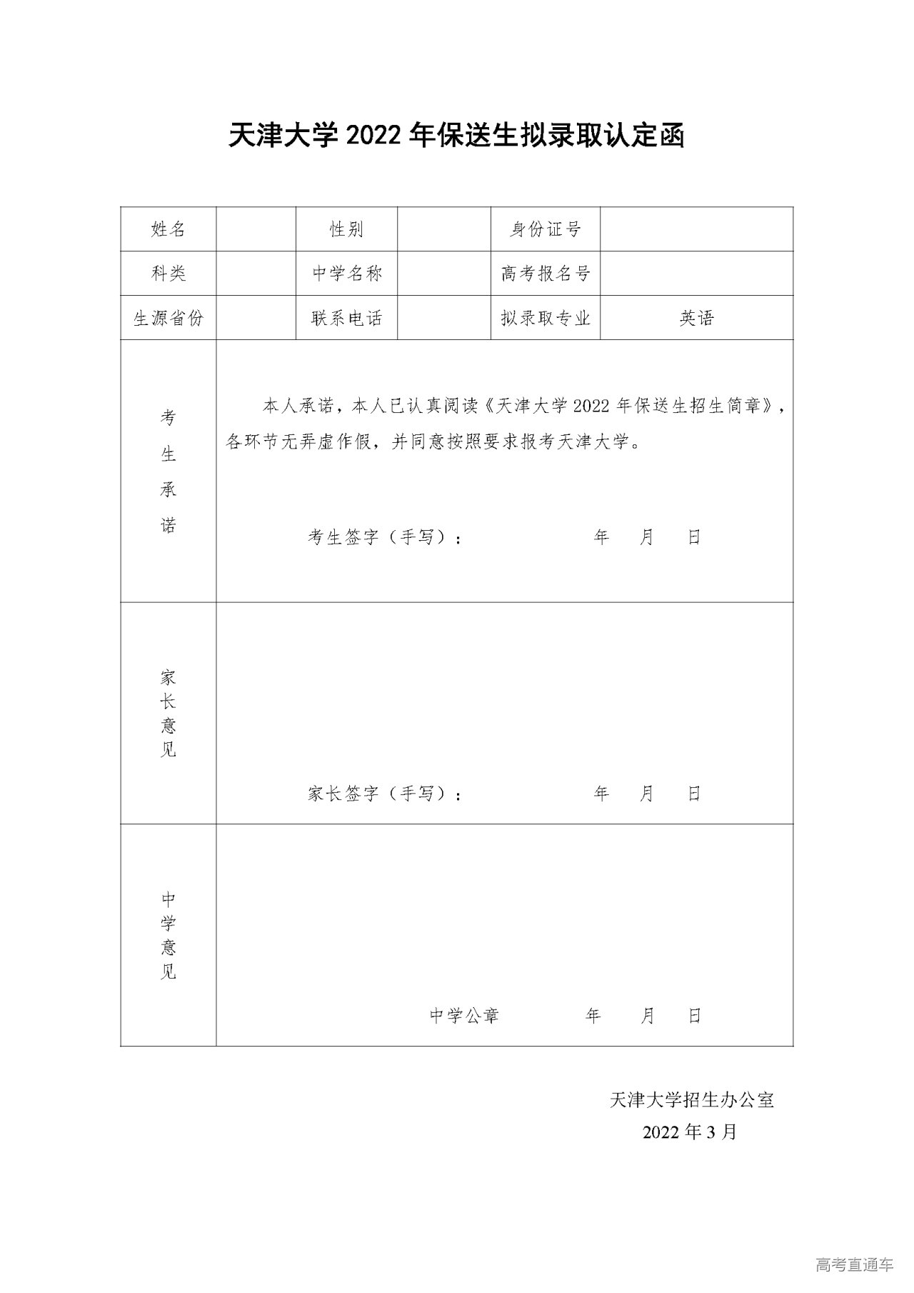
请通过测试的考生下载、填写附件2:《天津大学2022年保送生拟录取认定函》,于2022年3月25日前EMS或顺丰邮寄至我办。
拟录取名单后续将于规定的时间在阳光高考平台公示,名单经公示无异议后,学校将按教育部规定的时间将拟录取名单报送教育部及生源所在省级招办审批。审批合格者办理录取手续,审批不合格者不予录取。录取学生的录取通知书将在高考录取期间寄发。
公示期内对于招生期间违规违纪行为可向纪检监察部门反映。
邮寄地址:天津市津南区海河教育园区雅观路135号天津大学北洋园校区行政服务中心(杏荪楼)A116室
收件人:天津大学招生办公室
联系电话:022-27405486
天津大学招生办公室
2021年3月1日
附件1:《天津大学2022年外语类保送生合格名单》
附件2:《天津大学2022年保送生拟录取认定函》

